管理人のイエイリです。
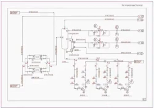
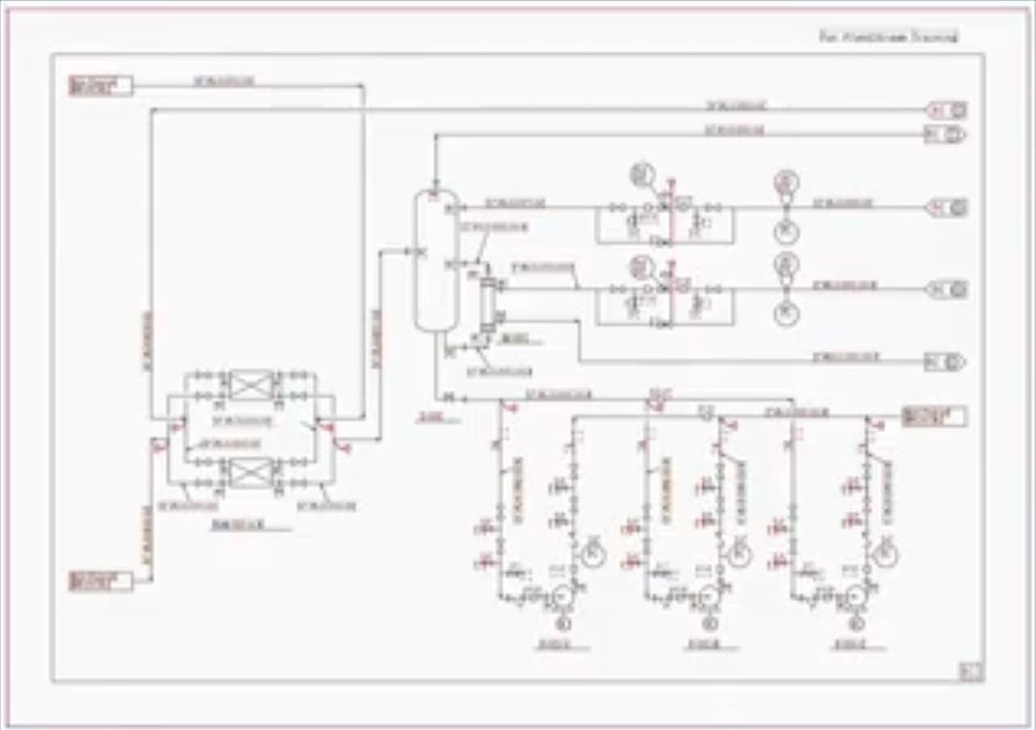
膨大な配管が入り組むプラントの3Dモデル作成は、配管を回路図のように表した「P&ID(配管計装図)」をにらみながら、配管の接続関係を一つひとつ拾い出し、設備の3Dモデル上で配管をつないでいくという地道な手作業が必要でした。
設計変更が入れば、またやり直し。BIMや3D化が進んだとはいえ、「2D図面を読み解く前処理」は、まだまだ人手に頼っているのが実情です。
こうしたボトルネックに挑んだのが、Arent(本社:東京都港区)が開発した「PlantStream AIDE」(正式名称:PlantStream P&ID AI Data Extractor)です。
P&IDのPDF図面をアップロードすると、
ナ、ナ、ナ、ナント、
AIが配管接続を解析
し、「From-Toリスト」というデータを自動作成してくれるのです。(Arentのプレスリリースはこちら)
このデータを、同社の「PlantStream」に読み込むと、爆速で配管3Dモデルを自動作成できます。
「PlantStream AIDE」はクラウド型のAI解析ツールです。利用フローはシンプルで、P&IDファイルをアップロードすると、AIが配管ラインや機器、ノズル情報を抽出し、接続関係を整理してFrom-Toリストとして出力します。
従来は設計者が図面を目視しながら手入力していた工程ですが、プレスリリースによるとFrom-Toリスト作成工数を約50%削減できるとしています。
生成されたFrom-ToリストのデータはExcelに書き出し、同社の3DプラントCAD「PlantStream」に引き渡すと、配管の3Dモデルを自動作成できます。
同社によると、From-To作成工程で約50%削減、さらに3Dモデル作成工程まで含めると最大74%削減できます。
ここでの74%は、従来から「PlantStream」を使っていたワークフローとの比較です。PlantStreamは手作業に比べて工数を80%削減できるそうなので、P&IDから3Dモデルまでを手作業で作成する場合、理論的には
20倍の生産性向上
という計算になります。
もちろん、実務では設計判断や微修正が残りますから、常に20倍になるとは限りません。
それでも、「読解の自動化」と「空間設計の自動化」が連続したときのインパクトは、設計現場の風景を変えるレベルと言えるでしょう。

























